| Availability: | |
|---|---|
| Quantity: | |
| min order: 1 pcs max order: 5000 pcs | |
57BYGH7602
SY Motor
57BYGH508-1C-20D
Operating Voltage: 12 - 36V
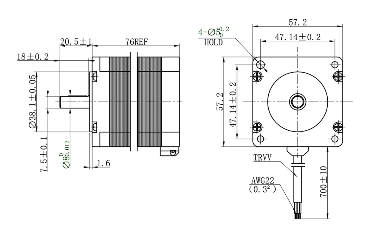
Motor Body Length: 76mm
Shaft Type: D Cut
Shaft Diameter: Ø8mm
Shaft Length: 20.5mm
Rated Voltage: 4V
Cuurent: 4A/ Phase
Step Angle: 1.8 degree
Number of phase: 2
Phase resistance: 1±0.1Ω/Phase
Phase inductance: 3.2x(1±20%)mH/Phase
Motor holding torque: 2.2 N.m
Number of Leads: 4
Wire Length: 700(±10)mm
Maximum NO-load starting frequency: ≥ 1500 PPS(Half step)
Maximum NO-load operating frequency: ≥ 2500 PPS(Half step)
Insulation resistance: ≥100MΩ(DC500V)
Insulation Class: Class B
Weight: 1.1 kg
Operating Voltage: 12 - 36V
Motor Body Length: 76mm
Shaft Type: D Cut
Shaft Diameter: Ø8mm
Shaft Length: 20.5mm
Rated Voltage: 4V
Cuurent: 4A/ Phase
Step Angle: 1.8 degree
Number of phase: 2
Phase resistance: 1±0.1Ω/Phase
Phase inductance: 3.2x(1±20%)mH/Phase
Motor holding torque: 2.2 N.m
Number of Leads: 4
Wire Length: 700(±10)mm
Maximum NO-load starting frequency: ≥ 1500 PPS(Half step)
Maximum NO-load operating frequency: ≥ 2500 PPS(Half step)
Insulation resistance: ≥100MΩ(DC500V)
Insulation Class: Class B
Weight: 1.1 kg



